CS/그래서 컴퓨터는 무엇?💻
💻그래서 컴퓨터는 무엇? : ALU
4:Bee
2023. 8. 19. 23:17
728x90
| YouTube Link | |
| 쓸모없는 CPU 만들기 6강 - 바이트 덧셈장치 구현해봐야 역시 무쓸모 | |
| https://youtu.be/n_KLOaw_Jzc |
ALU
ALU는 컴퓨터의 중앙 처리 장치에 있는 하위 장치로, 산술 및 논리 연산을 수행하는 부분이다. CPU 내에 가장 중요한 구성 요소이며 데이터의 연산과 비교 등 다양한 연산을 수행한다.




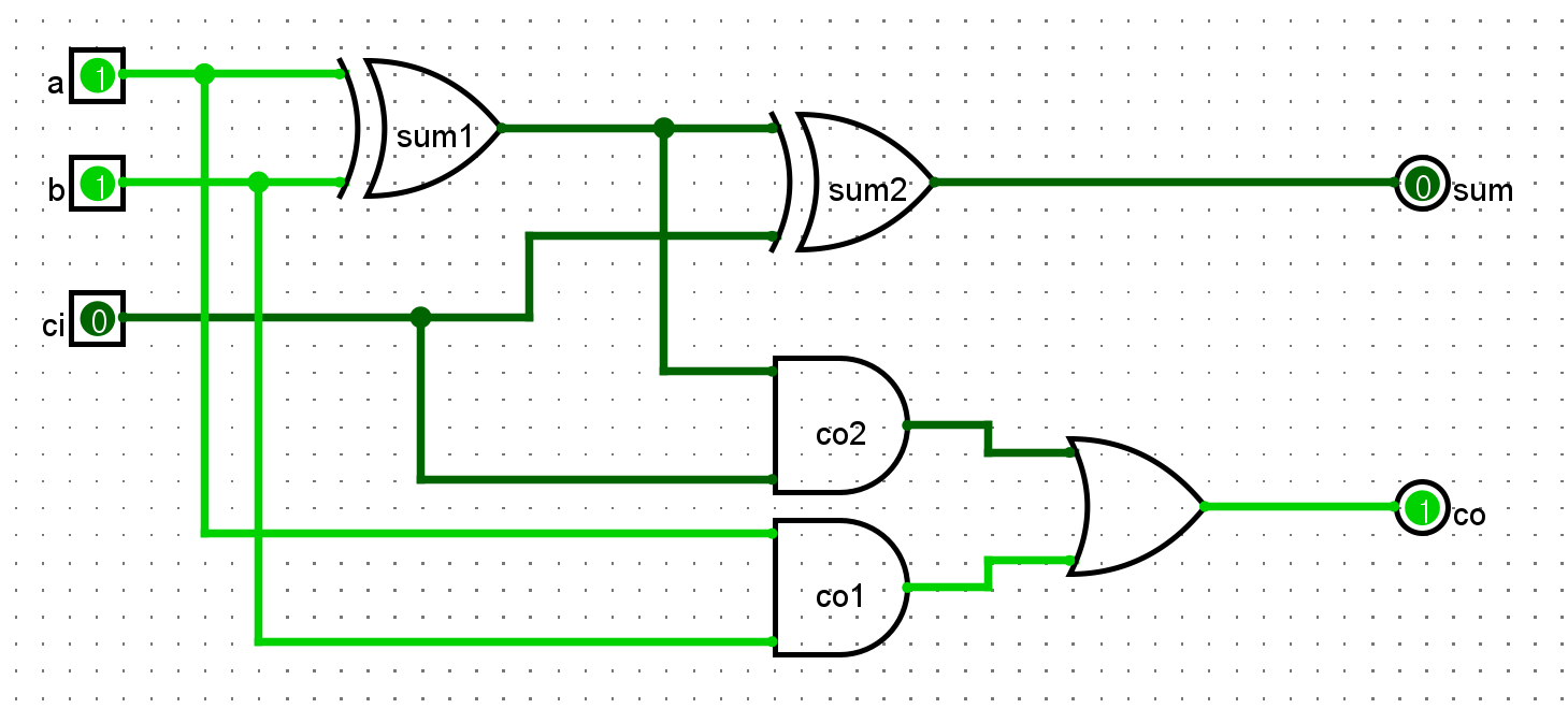
위 회로는 a와 b의 이진 법의 합산의 결과 값을 출력하는 장치이다. 이는 우리가 일상에서 사용하는 adder 즉, 덧샘을 역할 하는 부분이다. ci는 a와 b가 합쳐졌을 때 자릿수 올림을 의미하는 비트이다. 예를 들어 1과 1이 합쳐 졌을 때 100으로 자릿수 올림되는 것을 말한다.


오른쪽 이미지는 우리가 adder 1비트를 8비트로 만들어낸 회로 모습이다. 왼쪽 이미지는 8비트 Adder가 완성된 모습이다.
728x90