| 일 | 월 | 화 | 수 | 목 | 금 | 토 |
|---|---|---|---|---|---|---|
| 1 | 2 | 3 | ||||
| 4 | 5 | 6 | 7 | 8 | 9 | 10 |
| 11 | 12 | 13 | 14 | 15 | 16 | 17 |
| 18 | 19 | 20 | 21 | 22 | 23 | 24 |
| 25 | 26 | 27 | 28 | 29 | 30 | 31 |
- 게임
- webpack
- sql
- 참고블로그
- Import
- https://m.blog.naver.com/tt2t2am1118/221010125300
- 비동기
- execCommand
- ajax
- Project
- callback
- setTimeout()
- js
- https://youtube.com/playlist?list=PLuHgQVnccGMA5836CvWfieEQy0T0ov6Jh&si=FTaYv8m21EhO-A2K
- Porject
- 혼프
- json
- eport
- async
- prj
- addEventListener
- await
- 동기
- JS #프로젝트
- slow and steady
- db
- database
- mysql
- promise
- object
- Today
- Total
C-log
💻그래서 컴퓨터는 무엇? : 레지스터 2(8bit Memory& Register) 본문
| YouTube Link | |
| 쓸모없는 CPU만들기 - 2강 -레지스터 만들어봤자 무쓸모 | |
| https://youtu.be/t-CtCfYfZ1k |
완성된 1bit Memory 칩
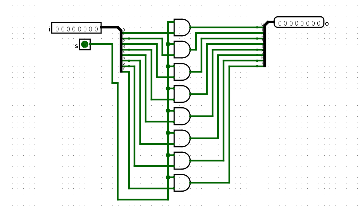
앞서서 우리는 1bit 메모리를 생성해 봤다. 결과 적으로 우린 Gate에서 하나의 1bit 메모리 칩을 생성한 것이다. 그것들을 8개로 나열 하면 곧 8bit 메모리가 되는 것이다. logisim evolution으로 완성된 칩의 형태를 보자.

전에 우리는 3가지에 따라 상태의 값이 바뀌는 것을 알았다. 그 3가지는 input과 set그리고 output에 따라 변화가 되는 것이 였다. 결과 적으로 1bit 메모리 칩에서는 3가지의 포트를 가지게 되는 것이다. (2가지의 input과 1가지의 output의 포트로 구성되어 있는 것이다.) 앞서 말했던 것 처럼 set의 s는 그저 on/off와 같은 역할을 하는 것이고 input의 i의 결과 값에 따라 output의 결과 값이 전달 되는 것이다. 이제 이 메모리들을 8비트로 늘려 보려한다.
8bit 메모리 만들기

Enabler 만들기

Enabler이 레지스터에서 필요한 이유. Enable은 특정 기능이나 동작을 활성화시키는 것을 의미한다. 다시 말해서 메모리에서 전달받은 값을 바로 output하는 것이 아니다. 왜그러냐면 output의 결과 값을 전달 해야하는 여러 값이 있다면 enable을 통해서 값을 다른 공간에서 저장할 수 있다. 예시를 들어 보자면 아래 그림과 같다.


왼쪽의 형태는 s의 값이 1로 반환이 되는 순간 모든 output들이 같은 값들을 도출하지만 오른쪽에는 Enable을 통해서 원하는 공간에만 값을 도출 할 수 있다. 결과 적으로 Enable은 Buffer의 역할을 하는 모습이다.
Register 만들기

레지스터는 휘발성이 있는 데이터 저장 공간이다. e의 input의 0과 1로 인해 결과 값이 지속적으로 유지가 되기가 결정된다. 마치 전원버튼과 같다. 현재는 레지스터의 내부 구성의 모습을 보고 있지만 나중에 이것을 하나의 칩으로 구성하고 있다면 포트가 4개가 될 것이다.

디지털논리회로 12장 레지스터와 카운터
※학부생으로 공부하면서 작성한 것이기 때문에 틀린 내용이 있을 수 있습니다 보실 때 그 점 유의하시면서...
blog.naver.com
'CS > 그래서 컴퓨터는 무엇?💻' 카테고리의 다른 글
| 💻그래서 컴퓨터는 무엇? : 다중 입력 게이트, 디코더 (0) | 2023.08.16 |
|---|---|
| 💻그래서 컴퓨터는 무엇? : Bus(버스)와 Tri-state Buffer(컨트롤 버퍼) (0) | 2023.08.14 |
| 💻그래서 컴퓨터는 무엇? : 레지스터 1(1bit Memory) (0) | 2023.08.13 |
| 💻그래서 컴퓨터는 무엇? : Universal Gate NAND, NOR (0) | 2023.08.13 |
| 그래서 컴퓨터는 무엇? : 소개💻 (0) | 2023.08.13 |